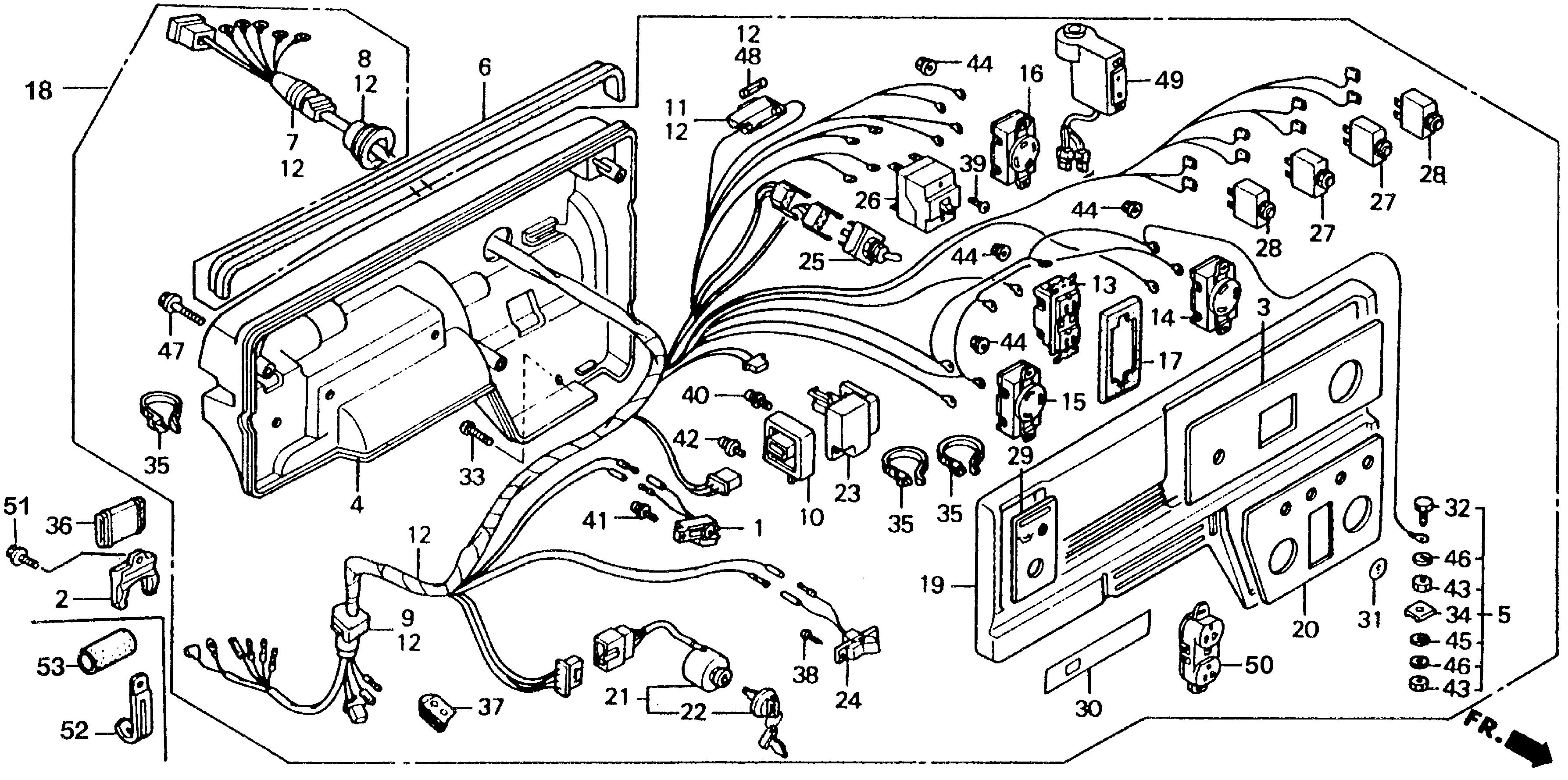
Ref No
Part Number
Description
Serial Range
Qty
Price
Ref No 1
Part Number 15520-ZB2-003
Description ALERT UNIT, OIL (NOT AVAILABLE)
Serial Range 1000001 - 1002885
Ref No 2
Part Number 30561-ZB4-000
Description CLIP, WIRE
Serial Range 1000001 - 1004400
Qty
Price $6.40
Add To Cart
Ref No 3
Part Number 31406-ZB4-E31
Description MARK, SWITCH PANEL (NOT AVAILABLE)
Serial Range 1002886 - 1009283
Ref No 3
Part Number 31406-ZB4-E32
Description MARK, SWITCH PANEL (NOT AVAILABLE)
Serial Range 1009284 - 9999999
Ref No 3
Part Number 31406-ZC2-831
Description MARK, SWITCH PANEL (EB-A) (NOT AVAILABLE)
Serial Range 1000001 - 1002885
Ref No 4
Part Number 31425-ZB4-010ZA
Description CASE, CONTROL *R8* (BRIGHT RED)
Serial Range 1002886 - 9999999
Ref No 5
Part Number 31428-899-840
Description TERMINAL SET, GROUND
Serial Range 1000001 - 9999999
Qty
Price $23.42
Add To Cart
Ref No 6
Part Number 31462-ZB4-000
Description RUBBER, CONTROL
Serial Range 1000001 - 9999999
Ref No 7
Part Number 31481-ZB4-003
Description GROMMET, A.C. WIRE
Serial Range 1000001 - 9999999
Ref No 8
Part Number 31482-ZB4-003
Description GROMMET, MAIN WIRE
Serial Range 1000001 - 9999999
Qty
Price $16.94
Add To Cart
Ref No 9
Part Number 31483-ZB4-003
Description GROMMET, SWITCH WIRE
Serial Range 1000001 - 9999999
Ref No 10
Part Number 31720-ZD1-E31
Description DIODE ASSY. (NOT AVAILABLE)
Serial Range 1000001 - 9999999
Ref No 11
Part Number 32114-230-003
Description CASE, FUSE CONNECTOR (SUMITOMO)
Serial Range 1000001 - 9999999
Qty
Price $5.48
Add To Cart
Ref No 12
Part Number 32150-ZD1-E31
Description WIRE HARNESS ASSY. (NOT AVAILABLE)
Serial Range 1000001 - 1009283
Ref No 12
Part Number 32150-ZD1-E32
Description WIRE HARNESS ASSY. (NOT AVAILABLE)
Serial Range 1009284 - 1009643
Ref No 12
Part Number 32150-ZD1-E33
Description WIRE HARNESS ASSY. (EB-A) (NOT AVAILABLE)
Serial Range 1009644 - 9999999
Ref No 13
Part Number 32330-Z08-E42
Description RECEPTACLE (20A/125V)
Serial Range 1000001 - 1009283
Qty
Price $340.12
Add To Cart
Ref No 13
Part Number 32331-ZC2-E31
Description RECEPTACLE (20A/125V)
Serial Range 1000001 - 1009283
Ref No 14
Part Number 32331-899-630
Description RECEPTACLE (20A/125V) (NOT AVAILABLE)
Serial Range 1000001 - 9999999
Ref No 15
Part Number 32332-ZB4-630
Description RECEPTACLE (30A/125V)
Serial Range 1000001 - 9999999
Qty
Price $45.88
Add To Cart
Ref No 16
Part Number 32334-ZA0-631
Description RECEPTACLE (30A/125-250V)
Serial Range 1000001 - 9999999
Ref No 17
Part Number 32335-ZD1-E31
Description GASKET, RECEPTACLE (NOT AVAILABLE)
Serial Range 1000001 - 1004294
Ref No 18
Part Number 32340-ZD1-E31ZA
Description BOX ASSY., CONTROL *R8* (BRIGHT RED) (NOT AVAILABLE)
Serial Range 1000001 - 1002885
Ref No 18
Part Number 32340-ZD1-E32ZA
Description BOX ASSY., CONTROL *R8* (BRIGHT RED) (NOT AVAILABLE)
Serial Range 1002886 - 1004294
Ref No 18
Part Number 32340-ZD1-E33ZA
Description BOX ASSY., CONTROL (NOT AVAILABLE)
Serial Range 1004295 - 1009283
Ref No 18
Part Number 32340-ZD1-E34ZA
Description BOX ASSY., CONTROL *R8* (EB-A) (BRIGHT RED) (NOT AVAILABLE)
Serial Range 1009284 - 1009643
Ref No 18
Part Number 32340-ZD1-E35ZA
Description BOX ASSY., CONTROL *R8* (EB-A) (BRIGHT RED) (NOT AVAILABLE)
Serial Range 1009644 - 9999999
Ref No 18
Part Number 32340-ZD1-E36ZA
Description BOX ASSY., CONTROL *R8* (BRIGHT RED) (NOT AVAILABLE)
Serial Range 1000001 - 9999999
Ref No 19
Part Number 32341-ZD1-E31ZA
Description PANEL, CONTROL *R8* (BRIGHT RED)
Serial Range 1000001 - 9999999
Ref No 20
Part Number 31408-ZC2-E31
Description MARK, A.C. OUT (NOT AVAILABLE)
Serial Range 1002886 - 1009283
Ref No 20
Part Number 31408-ZC2-E32
Description MARK, A.C. OUT
Serial Range 1009284 - 9999999
Qty
Price $71.40
Add To Cart
Ref No 20
Part Number 32348-ZD1-E30
Description MARK, A.C. OUT (EB-A) (NOT AVAILABLE)
Serial Range 1000001 - 1002885
Ref No 21
Part Number 35100-ZB4-023
Description SWITCH ASSY., COMBINATION (HONDALOCK)
Serial Range 1002886 - 9999999
Qty
Price $137.88
Add To Cart
Ref No 22
Part Number 35111-880-003
Description KEY
Serial Range 1000001 - 9999999
Ref No 22
Part Number 35111-880-013
Description KEY (HONDALOCK)
Serial Range 1056181 - 9999999
Qty
Price $11.16
Add To Cart
Ref No 23
Part Number 36210-ZB4-014
Description THROTTLE UNIT, AUTO (SAWAFUJI)
Serial Range 1056181 - 9999999
Qty
Price $252.82
Add To Cart
Ref No 24
Part Number 36214-ZB4-013
Description SWITCH, AUTO THROTTLE
Serial Range 1000001 - 9999999
Ref No 24
Part Number 36214-ZB4-023
Description SWITCH, AUTO THROTTLE
Serial Range 1000001 - 9999999
Qty
Price $40.08
Add To Cart
Ref No 25
Part Number 36221-899-630
Description SWITCH ASSY., VOLT CHANGE
Serial Range 1000001 - 1002194
Qty
Price $215.84
Add To Cart
Ref No 25
Part Number 36221-ZD1-E30
Description SWITCH ASSY., VOLT CHANGE
Serial Range 1002195 - 9999999
Qty
Price $223.56
Add To Cart
Ref No 26
Part Number 38220-ZD1-630
Description BREAKER, CIRCUIT (23A) (NOT AVAILABLE)
Serial Range 1009284 - 9999999
Ref No 26
Part Number 38220-ZD1-E30
Description BREAKER, CIRCUIT (23A) (NOT AVAILABLE)
Serial Range 1002195 - 1009283
Ref No 27
Part Number 38240-ZC2-E32
Description PROTECTOR, CIRCUIT (20A)
Serial Range 1009284 - 9999999
Qty
Price $94.86
Add To Cart
Ref No 27
Part Number 38240-ZC6-E31
Description PROTECTOR, CIRCUIT (20A)
Serial Range 1000001 - 1009283
Qty
Price $78.82
Add To Cart
Ref No 28
Part Number 38241-ZC2-E31
Description PROTECTOR, CIRCUIT (30A) (NOT AVAILABLE)
Serial Range 1009284 - 9999999
Ref No 28
Part Number 38241-ZC6-E31
Description PROTECTOR, CIRCUIT (30A)
Serial Range 1000001 - 1009283
Qty
Price $78.84
Add To Cart
Ref No 29
Part Number 87501-ZB4-630
Description MARK, ENGINE SWITCH (NOT AVAILABLE)
Serial Range 1000001 - 1002885
Ref No 29
Part Number 87501-ZB4-A32
Description MARK, ENGINE SWITCH
Serial Range 1002886 - 9999999
Ref No 30
Part Number 87524-ZB4-830
Description MARK, AUTO-THROTTLE (EB-A) (NOT AVAILABLE)
Serial Range 1000001 - 1002885
Ref No 30
Part Number 87524-ZB4-E31
Description MARK, AUTO-THROTTLE
Serial Range 1002886 - 9999999
Qty
Price $8.18
Add To Cart
Ref No 31
Part Number 87534-892-640
Description MARK, GROUND
Serial Range 1002886 - 9999999
Qty
Price $2.40
Add To Cart
Ref No 32
Part Number 90011-899-840
Description BOLT, HEX. (6X28)
Serial Range 1000001 - 9999999
Qty
Price $4.26
Add To Cart
Ref No 33
Part Number 90101-692-000
Description SCREW, GLOVE BOX
Serial Range 1000001 - 9999999
Qty
Price $1.60
Add To Cart
Ref No 34
Part Number 90501-ZA7-640
Description RETAINER (6MM)
Serial Range 1000001 - 9999999
Qty
Price $3.72
Add To Cart
Ref No 35
Part Number 90672-ZB4-003
Description TIE, CABLE
Serial Range 1000001 - 9999999
Qty
Price $5.76
Add To Cart
Ref No 36
Part Number 91406-ZB4-000
Description TUBE, CORD
Serial Range 1000001 - 1004400
Qty
Price $11.58
Add To Cart
Ref No 37
Part Number 91601-ZB4-003
Description GROMMET, TUBE
Serial Range 1004401 - 9999999
Qty
Price $3.92
Add To Cart
Ref No 38
Part Number 93500-03006-0H
Description SCREW, PAN (3X6)
Serial Range 1004401 - 9999999
Qty
Price $1.00
Add To Cart
Ref No 39
Part Number 93500-04006-0H
Description SCREW, PAN (4X6)
Serial Range 1000001 - 9999999
Qty
Price $1.10
Add To Cart
Ref No 40
Part Number 93892-05012-08
Description SCREW-WASHER (5X12)
Serial Range 1000001 - 9999999
Qty
Price $1.40
Add To Cart
Ref No 41
Part Number 93893-04010-08
Description SCREW-WASHER (4X10)
Serial Range 1000001 - 1002885
Qty
Price $1.64
Add To Cart
Ref No 42
Part Number 93893-04012-08
Description SCREW-WASHER (4X12)
Serial Range 1002886 - 9999999
Qty
Price $1.64
Add To Cart
Ref No 42
Part Number 93893-04012-18
Description SCREW-WASHER (4X12)
Serial Range 1002886 - 9999999
Ref No 43
Part Number 94001-06390-0S
Description NUT, HEX. (6MM)
Serial Range 1000001 - 9999999
Qty
Price $1.96
Add To Cart
Ref No 44
Part Number 94050-04000
Description NUT, FLANGE (4MM)
Serial Range 1000001 - 9999999
Qty
Price $1.50
Add To Cart
Ref No 45
Part Number 94101-06800
Description WASHER, PLAIN (6MM)
Serial Range 1000001 - 9999999
Qty
Price $0.80
Add To Cart
Ref No 46
Part Number 94111-06800
Description WASHER, SPRING (6MM)
Serial Range 1000001 - 9999999
Qty
Price $1.38
Add To Cart
Ref No 47
Part Number 95701-06040-08
Description BOLT, FLANGE (6X40)
Serial Range 1000001 - 9999999
Qty
Price $2.30
Add To Cart
Ref No 48
Part Number 98200-21000
Description FUSE B (10A)
Serial Range 1000001 - 9999999
Qty
Price $1.14
Add To Cart
Ref No 49
Part Number 38540-ZC2-E31
Description RELAY ASSY. (GFCI)
Serial Range 1009284 - 9999999
Qty
Price $330.65
Add To Cart
Ref No 50
Part Number 32330-Z03-C31
Description RECEPTACLE (20A/125V)
Serial Range 1009284 - 9999999
Qty
Price $50.02
Add To Cart
Ref No 50
Part Number 32330-ZA1-631
Description RECEPTACLE (20A/125V) (MATSUSHITA)
Serial Range 1009284 - 9999999
Qty
Price $50.02
Add To Cart
Ref No 51
Part Number 90013-883-000
Description BOLT, FLANGE (6X12) (CT200)
Serial Range 1000001 - 9999999
Ref No 52
Part Number 91406-671-000
Description CLIP, WIRE HARNESS
Serial Range 1004401 - 9999999
Qty
Price $19.72
Add To Cart
Ref No 53
Part Number 91406-ZB3-740
Description TUBE, CORD
Serial Range 1004401 - 9999999
Qty
Price $4.84
Add To Cart