Description GASKET, OIL PAN HOLE COVER (NOT AVAILABLE)
Serial Range 1000001 - 9999999
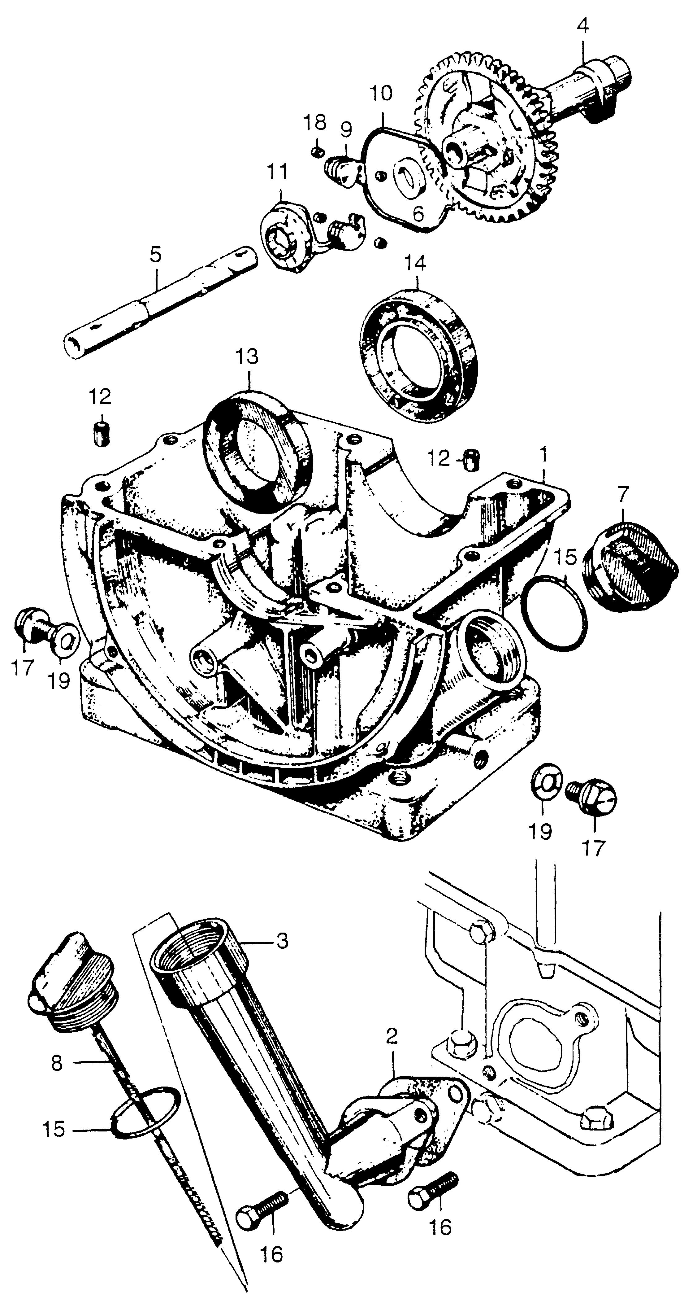
Ref No 3
Part Number 11220-815-000
Description PIPE, OIL (NOT AVAILABLE)
Serial Range 1000001 - 9999999
Ref No 4
Part Number 14101-865-010
Description CAMSHAFT (NOT AVAILABLE)
Serial Range 1000001 - 9999999
Ref No 5
Part Number 14210-822-020
Description CENTER, CAMSHAFT (NOT AVAILABLE)
Serial Range 1000001 - 9999999
Ref No 6
Part Number 14213-822-000
Description COLLAR, CAMSHAFT (NOT AVAILABLE)
Serial Range 1000001 - 9999999
Ref No 7
Part Number 15611-921-000
Description CAP, OIL (YELLOW)
Serial Range 1000001 - 9999999
Qty
Price $13.88
Ref No 8
Part Number 15620-815-000
Description CAP, OIL (NOT AVAILABLE)
Serial Range 1000001 - 9999999
Qty
Price $18.78
Ref No 9
Part Number 16511-805-000
Description WEIGHT, GOVERNOR (NOT AVAILABLE)
Serial Range 1000001 - 9999999
Ref No 10
Part Number 16515-805-000
Description CENTER, GOVERNOR WEIGHT (NOT AVAILABLE)
Serial Range 1000001 - 9999999
Ref No 11
Part Number 16521-822-010
Description SLIDER, GOVERNOR (NOT AVAILABLE)
Serial Range 1000001 - 9999999
Ref No 12
Part Number 90701-200-000
Description PIN, KNOCK (8.5X11) (NOT AVAILABLE)
Serial Range 1000001 - 9999999
Ref No 13
Part Number 91201-822-003
Description OIL SEAL (PJ20528)
Serial Range 1000001 - 9999999
Qty
Price $18.90
Ref No 14
Part Number 91204-805-003
Description OIL SEAL (30X65X10) (NOT AVAILABLE)
Serial Range 1000001 - 9999999
Ref No 15
Part Number 91301-805-000
Description O-RING (26X2.7)
Serial Range 1000001 - 9999999
Qty
Price $5.00
Ref No 16
Part Number 92101-06016-0A
Description BOLT, HEX. (6X16)
Serial Range 1000001 - 9999999
Qty
Price $1.84
Ref No 17
Part Number 92800-12000
Description BOLT, DRAIN PLUG (12MM)
Serial Range 1000001 - 9999999
Qty
Price $4.86
Ref No 18
Part Number 94101-03000
Description WASHER, PLAIN (3MM)
Serial Range 1000001 - 9999999
Qty
Price $0.82
Ref No 19
Part Number 94109-12000
Description WASHER, DRAIN PLUG (12MM)
Serial Range 1000001 - 9999999
Qty
Price $1.54
Item added to your cart
California Prop 65 Information
Internal Combustion Engine Products:
WARNING:
This product can expose you to chemicals including soots, tars, and mineral oils, which are known to the State of California to cause cancer,
and carbon monoxide, which is known to the State of California to cause birth defects or other reproductive harm. For more information go to
www.P65Warnings.ca.gov.
Miimo Robotic Mower
WARNING:
This product can expose you to chemicals including lead and lead compounds, which are known to the State of California to cause cancer and birth defects or other reproductive harm.
For more information go to
www.P65Warnings.ca.gov.